Blinking LED (using inverters)

This is a simple LED blinker circuit. Once connected, the LED will flash on and off.

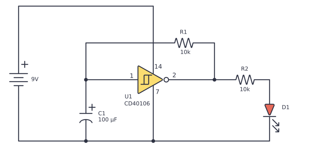
The Circuit

The capacitor (C1) and the resistor (R1) sets the speed of the blinking. Lower values means faster blinking.

Resistor (R2) sets the current for the LED. It's a bit high, to make sure you don't pull out too much current from the chip. If you don't think your LED is bright enough, you can use a transistor to make it brighter.

Parts List

Reference Value
Battery 9V
C1 100 µF
D1 Light-Emitting Diode (LED)
R1 10k
R2 10k
U1 CD40106

The Layout

Here's an example of how you can build the circuit.

Created: Nov 18, 2025 | Updated: Nov 26, 2025 |