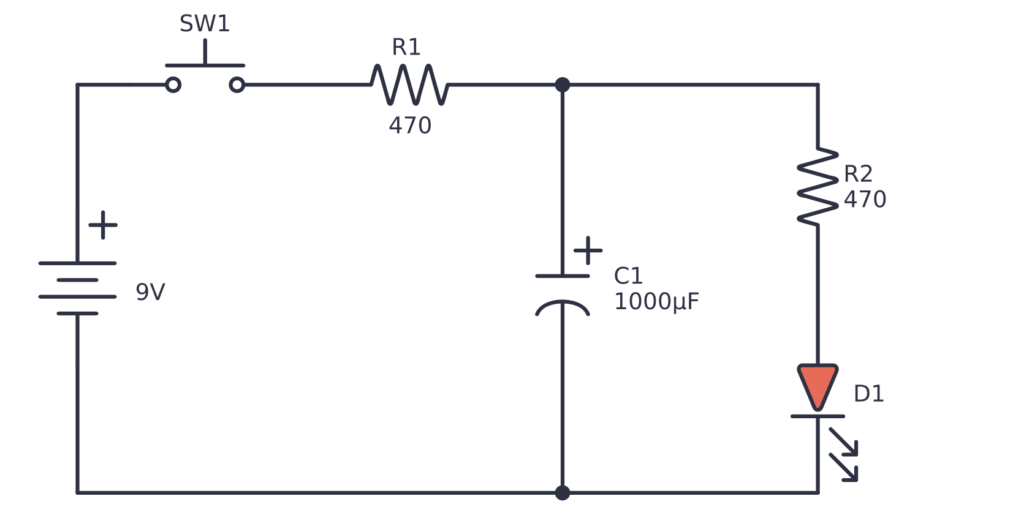
LED Fade In-Out Demo

Exclusive Content For Members

Hey there! Unlock your potential by accessing this premium resource and countless others on Ohmify. If you are already a member you can Log In Here. If not, click here to become a member and get instant access to this course.

Keep On Soldering!