LED Fade In-Out Demo

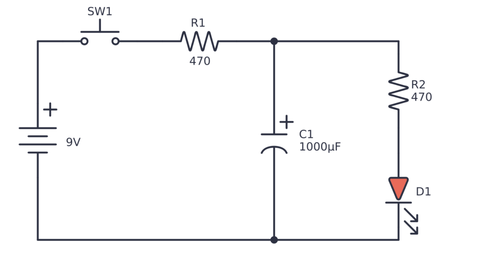
This is a demo project for fading and LED both in and out. When you press the button, the LED fades in. And when you release the button, it fades out again.

The Circuit

Parts List

Reference Value
BAT1 9V
C1 1000µF
D1 Light-Emitting Diode (LED)
R1 470
R2 470
SW1 Pushbutton

The Layout

Created: Oct 7, 2025 | Updated: Nov 26, 2025 |