Light Detector

In this project, you are going to build a light detector.

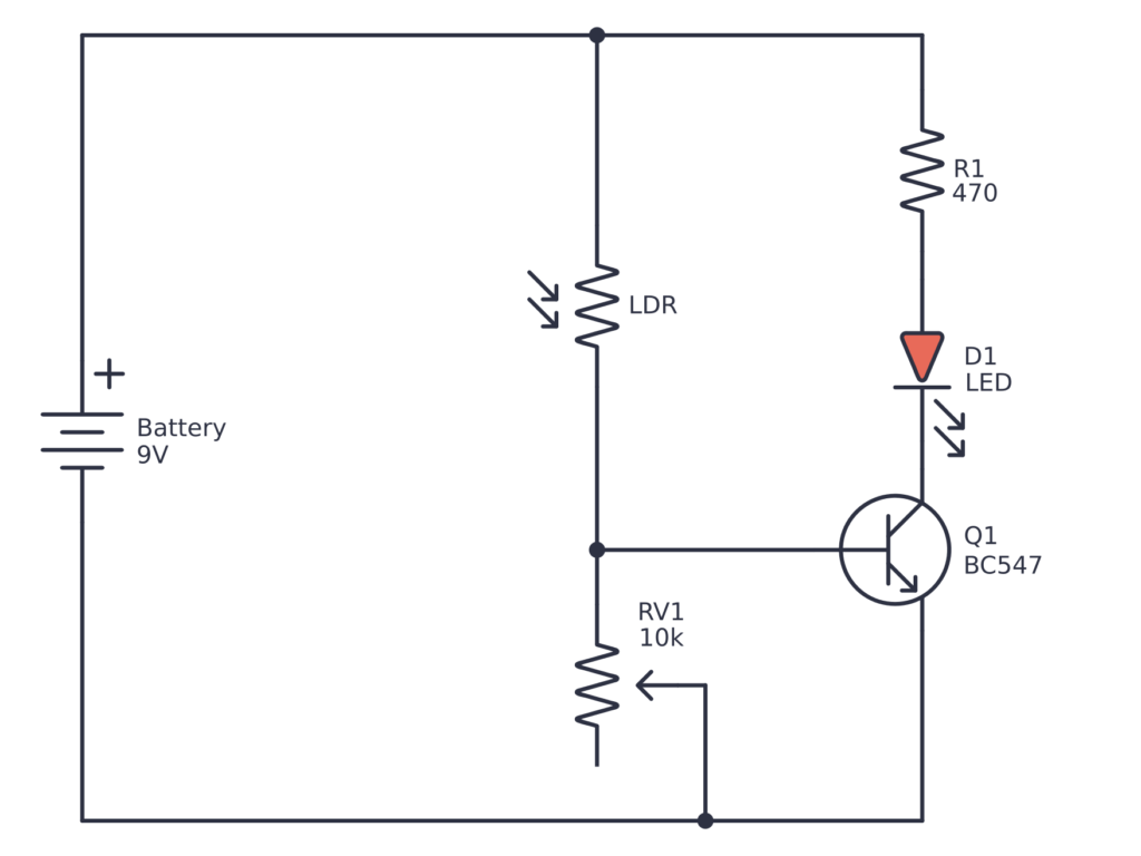
A photoresistor in series with a potentiometer creates a voltage on the base of the transistor that turns the LED on or off, depending on how much light the photoresistor detects.

The Circuit

If there is light on the photoresistor, the voltage on the base will be high enough to turn the transistor on, and the LED turns on. If it’s dark, the voltage on the base will be too low to turn the transistor on, so the LED will be off.

Parts List

Reference Value
Battery 9V
D1 LED
LDR Around 1k – 10 kΩ when light
Q1 BC547
R1 470
RV1 10k

The Layout

After connecting the circuit, the first thing you need to do is to set the light sensitivity of your circuit with the potentiometer.

Turn your potentiometer to the point where you can turn the LED on and off by turning the potentiometer a little bit to each side. Then leave the potentiometer in the position where the LED is just barely on.

Then place your finger over the photoresistor (to simulate darkness) and the LED should turn off.

Created: Nov 6, 2025 | Updated: Nov 26, 2025 |