Running LEDs

This circuit creates a light that "runs" from one side to the other, using a 555 timer and a decade counter.

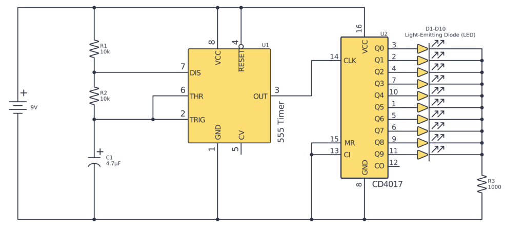
The Circuit

The 555 timer sets up a clock signal that decides of fast the LED should run across the lights. The decade counter counts each clock pulse and turns on the corresponding LED.

Parts List

Reference Value
Battery 9V
C1 4.7µF
D1-D10 Light-Emitting Diode (LED)
R1 10k
R2 10k
R3 1000
U1 555 Timer
U2 CD4017

The Layout

This is a big circuit with lots of connections. So be patient, and double-check your connections as you build.

Created: Nov 26, 2025 | Updated: Nov 26, 2025 |